耐热至300~800℃四级
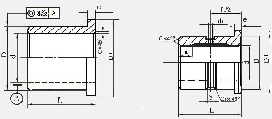
举例如下表
|
型号 |
外形尺寸 |
重量 |
|||||||||
|
d |
D |
D1 |
e |
b |
a |
d1 |
C |
C1 |
L |
kg/100 |
|
|
THD004 |
20 |
26 |
32 |
4 |
7 |
3 |
4 |
0.5 |
0.6 |
16-40 |
0.175 |
|
THD/22 |
22 |
28 |
34 |
4 |
7 |
3 |
4 |
0.5 |
0.6 |
16-45 |
0.19 |
|
THD005 |
25 |
32 |
38 |
5 |
7 |
3 |
4 |
0.5 |
0.6 |
20-50 |
0.26 |
|
THD/28 |
28 |
36 |
42 |
5 |
8 |
4 |
5 |
0.8 |
0.8 |
20-55 |
0.33 |
|
THD006 |
30 |
38 |
44 |
5 |
8 |
4 |
5 |
0.8 |
0.8 |
20-60 |
0.35 |
|
|
|
|
|
|
|
|
|
|
|
|
|
|
THD/32 |
32 |
40 |
46 |
5 |
8 |
5 |
6 |
0.8 |
0.8 |
25-60 |
0.37 |
|
THD007 |
35 |
45 |
50 |
5 |
8 |
5 |
6 |
0.8 |
0.8 |
25-60 |
0.52 |
|
THD/38 |
38 |
48 |
54 |
5 |
8 |
5 |
6 |
0.8 |
0.8 |
25-60 |
0.55 |
|
THD008 |
40 |
50 |
58 |
5 |
8 |
6 |
6 |
0.8 |
1 |
25-65 |
0.58 |
|
THD/42 |
42 |
52 |
60 |
5 |
8 |
6 |
6 |
0.8 |
1 |
25-65 |
0.61 |
|
|
|
|
|
|
|
|
|
|
|
|
|
|
THD009 |
45 |
55 |
63 |
5 |
10 |
6 |
8 |
0.8 |
1 |
30-70 |
0.65 |
|
THD/48 |
48 |
58 |
66 |
5 |
10 |
6 |
8 |
0.8 |
1 |
35-75 |
0.68 |
|
THD010 |
50 |
60 |
68 |
5 |
10 |
6 |
8 |
0.8 |
1 |
35-80 |
0.71 |
|
THD011 |
55 |
65 |
73 |
5 |
10 |
6 |
8 |
0.8 |
1 |
35-85 |
0.77 |
|
THD012 |
60 |
75 |
83 |
7.5 |
10 |
8 |
8 |
0.8 |
1 |
40-90 |
1.31 |
|
|
|
|
|
|
|
|
|
|
|
|
|
|
THD013 |
65 |
80 |
88 |
7.5 |
10 |
8 |
8 |
0.8 |
1 |
45-95 |
1.4 |
|
THD014 |
70 |
85 |
95 |
7.5 |
12 |
8 |
8 |
0.8 |
1 |
50-100 |
1.51 |
|
THD015 |
75 |
90 |
100 |
7.5 |
12 |
8 |
8 |
1 |
1 |
55-110 |
1.66 |
|
THD016 |
80 |
95 |
105 |
7.5 |
12 |
8 |
8 |
1 |
1 |
60-120 |
1.76 |
|
THD017 |
85 |
100 |
110 |
7.5 |
12 |
8 |
8 |
1 |
1 |
60-120 |
1.91 |
|
|
|
|
|
|
|
|
|
|
|
|
|
|
THD018 |
90 |
110 |
120 |
10 |
12 |
8 |
8 |
1 |
1 |
60-130 |
2.61 |
|
THD019 |
95 |
115 |
125 |
10 |
12 |
8 |
8 |
1 |
1 |
60-140 |
2.82 |
|
THD020 |
100 |
120 |
130 |
10 |
14 |
10 |
10 |
1 |
1.5 |
75-150 |
3.04 |
|
THD021 |
105 |
125 |
135 |
10 |
14 |
10 |
10 |
1 |
1.5 |
75-155 |
3.12 |
|
THD022 |
110 |
130 |
140 |
10 |
14 |
10 |
10 |
1 |
1.5 |
80-160 |
3.32 |
|
|
|
|
|
|
|
|
|
|
|
|
|
|
THD024 |
120 |
140 |
150 |
10 |
14 |
12 |
10 |
1 |
1.5 |
90-160 |
3.57 |
|
THD026 |
130 |
150 |
160 |
10 |
14 |
10 |
10 |
1.5 |
2 |
100-170 |
3.84 |
|
THD028 |
140 |
160 |
170 |
10 |
14 |
10 |
10 |
1.5 |
2 |
100-180 |
4.12 |
|
THD030 |
150 |
170 |
180 |
10 |
16 |
12 |
12 |
1.5 |
2 |
120-200 |
4.39 |
|
THD032 |
160 |
185 |
200 |
12.5 |
16 |
12 |
12 |
1.5 |
2 |
120-210 |
5.6 |

